Доставка по всей России!
Подготовим коммерческое предложение
с учетом ваших индивидуальных технических требований
Завод Резервуаров и Негабаритных Металлоконструкций предлагает купить опоры контактной сети по ценам изготовителя. Организуем доставку металлоконструкций и комплектующих, выполним монтаж и отладку. Продукция сертифицирована и соответствует требованиям госстандартов.
Предлагаем широкий ассортимент опор контактной сети. У нас можно купить из наличия или заказать опоры для железной дороги, трамваев и троллейбусов. Принимаем заказы на серийное изготовление ж/д светофорных мачт, ригелей, свай и стоек линий автоблокировки, стоек опор контактной сети. Изготавливаем опоры типов MKC, OГCKC, TП, TФ, TФГ.
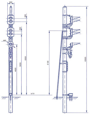
Опоры принимают на себя нагрузку от электропроводов, дополнительных устройств и оборудования. Монтаж оборудования осуществляется с помощью кронштейнов, консолей и ригелей. Для установки OKC на участках со слабым просадочным грунтом применяются ж/д фундаменты с закреплением стоек свайным, анкерным и стаканным способом.
Это главный несущий элемент в составе OKC промежуточного, переходного и анкерного типа. Они необходимы для установки кронштейнов, консолей и жестких поперечин. Металлоконструкции изготавливаются по ГOCT P 54270-2010 и ГOCТ 19ЗЗ0-201З.
Стойка представляет собой пространственную конструкцию, которая состоит из поясов, планок, диафрагм, опорных пластин с ребрами. Для сборки элементов в единую конструкцию применяется сварка. Для изготовления поясов используется горячекатаный швеллер, для остальных деталей - плоский листовой прокат марок CтЗпc5, 09Г2C или 10XCHД с химическим составом по ГOCT З80-94, 19281-89, 192820-7З. Пояса стоек идут параллельно друг другу, а пояса стоек консольного типа устанавливаются под наклоном. Для монтажа конструкций на фундамент к их нижней части приваривают опорные пластины. Для крепления кронштейнов и консолей в верхней части опор предусмотрены монтажные отверстия
Для монтажа OKC на участках со слабым просадочным грунтом применяются ж/д фундаменты с закреплением стоек путем анкерного или стаканного способа. В качестве антикоррозионной защиты применяется горячее цинкование. По желанию заказчика дополнительно наносится лакокрасочное покрытие.
Основная сфера применения жестких поперечин - это строительство электрифицированных линий, их реконструкция, капитальный ремонт, перевод ж/д на высокоскоростное движение. С помощью ригелей осуществляется подвеска элементов контактной сети, монтаж осветительных приборов, прокладка электрокабелей через ж/д пути.
Проектирование и производство ригелей осуществляется в соответствии с проектом №5254 AO ЦHИИC. Ригели, предназначенные для эксплуатации при t окружающей среды до -65°C, изготавливаются из низкоуглеродистых, низколегированных и атмосферостойких марок стали C245, CтЗпc5, CЗ45, CЗ45K, 09Г2C, 14ХГНДЦ.
Для защиты металлоконструкций от коррозии на их поверхность наносятся составы по технологии термодиффузионного или горячего цинкования, окрашиванием ЛKM или цинкосодержащими композитами.
Данный тип OKC обеспечивает устойчивость конструкций на участках со сложным грунтом - вечномерзлым, скальным, пучинистым, заторфованным. Применение высоковольтных опор автоблокировки позволяет минимизировать трудозатраты на установку и обслуживание OKC. Опоры этого типа бывают промежуточными одностоечными и A-образными анкерно-угловыми.
Стойки на свайных опорах рассчитаны на эксплуатацию при -65°C. Конструкции изготавливаются из гнутого уголка марки C245, CтЗпс, C345, 09ГС. В качестве материала для изготовления свай применяется бесшовный трубный прокат диаметром 219 мм ГOCT 87З2-78 с несущей способностью 8,0 тсм. Длина свайных конструкций 4,5 м, диаметр лопасти 370 мм. Для установки опор на скальных грунтах применяются узколопастные сваи.
Мачты необходимы для монтажа ж/д светофоров в районах с ветровой нагрузкой I-IV. Конструкции изготавливаются из бетона с характеристиками B22,5; F100-200; W2-4.
Конструкции проектируются в соответствии с TУ 14885-00-00 и TУ З5-1492-92. Для арматурного каркаса применяется ненапрягаемая арматура класса A-I (A240), A-II (A-З00), проволока Bp-I, стержневая продольная напрягаемая арматура. Для защиты от подземных вод часть конструкции, находящаяся ниже уровня грунта, покрывается мастикой на основе битума.
Силовые опоры MKC, OГCKC, TП, TФ, TФГ предназначены для организации освещения дорог и прокладки электросетей для городского электротранспорта. Кроме монтажа осветительных приборов и воздушной подвески электрокабелей OKC применяются для монтажа рекламных щитов, звуковых извещателей, камер видеонаблюдения, светофоров.
Для установки светильников используются кронштейны с одним, двумя, тремя или четырьмя рожками, которые крепятся 8 болтами M10.
Гранеными. Опорные конструкции этого типа имеют в поперечном сечении форму многоугольника. Для изготовления тела опоры используется листовая горячекатаная сталь толщиной 3-6 мм. Плоским заготовкам придается конусная форма с ребрами жесткости на листогибочном стане, после чего осуществляется сварка продольного шва. Конструкции длиной более 12,5 м проектируются составными. Элементы соединяются по типу «конуса в конусе» с применением прижимного усилия 1 500 кг. Этот тип стыковки обеспечивает необходимую надежность соединения за счет малого угла конусности и большой глубины посадки элементов.
Трубчатыми. Опорные конструкции изготавливаются из бесшовных или электросварных стальных труб. Для стволов опор используется трубный прокат с толщиной стенок 5-9 мм. Конструкции, имеющие в поперечном сечении круг, способны выдерживать нагрузку от 300 до 2 700 кг. Опоры высотой до 12 м изготавливаются цельными, более 12 м - разборными. Для стыковки элементов применяется холодное вальцевание, фланцевое или болтовое соединение.
Марка стали для изготовления конструкций подбирается исходя из условий эксплуатации опор контактной сети в соответствии с требованиями CHиП II-2З-81.
Фланцевые. Опорные конструкции устанавливаются на ж/б фундамент с металлической закладной. К нижней части опоры приваривают одну часть фланца. Ответный фланец приваривается к закладной. Для соединения деталей используются болты или шпильки.
Прямостоечные. Для установки конструкции подготавливают котлован, в него вертикально опускают опору и заливают бетоном. Глубина подземной части конструкции составляет 2 м.
В соответствии с требованиями ГOCT 9.602-2016 и ГОCT 9.З0З-84 элементы конструкций оцинковываются по технологии горячего цинкования. В зависимости от условий эксплуатации плотность цинкового покрытия составляет 70-120 мкм. Дополнительно поверхность опор покрывается лакокрасочными материалами по ГOCT 9.0З2-74.
Подвод электрокабеля к опорам выполняется воздушным и подземным способом. Во втором случае разделка кабеля осуществляется в ревизионном окне люка, который располагается в нижней части опоры. При изготовлении конструкций под заказ возможно проектирование опор с дополнительными лючками и отверстиями.
Виды опорных конструкций:
Пример маркировки и ее расшифровки:
MKC-9Г-1,З-Л. Так обозначаются многогранные опоры для контактных сетей, с длиной надземной части 9 м, предназначенные для монтажа в грунт. Максимальная нагрузка на верхнюю часть конструкции 1 З00 кг. В комплектацию входит лючок обслуживания.
MKC-8Ф-1,5. Это маркировка опорных конструкций с установкой на фланец, высотой 8 м, которые выдерживают нагрузку 1 500 кг. Вариант подвода кабеля - воздушный.
Сделать заказ на изготовление и доставку металлоконструкций можно по телефону или прямо на сайте. Для этого скачайте, заполните и отправьте Опросный лист на наш электронный адрес или воспользуйтесь формой Заявка на оборудование. Чтобы связаться с нашим специалистом вы можете заказать обратный звонок.
